Konstantstrømsgeneratorer.
Et par eksempler, kan bruges til at føde
lysdioder i modeltog og andre steder.
Er ikke egne opfindelser, men nogle jeg har fundet....
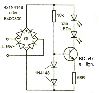
Eksempel A:

Uhyre simpel, men giver kun 10mA til dioderne. Kræve en rimelig
høj spænding inde den leder korrekt (5-7 volt).
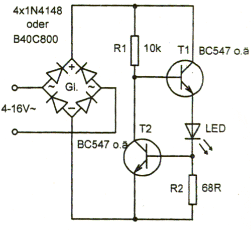
Eksempel B:
eller 
Igen ret simpel, men ikke 100% stabil, vil ændre sig med
forsyningsspændingen. Strømmen bestemmes af modstanden og den
ene diode. I = V(D1)/R, her 0,7 / 68 = ca.10mA.
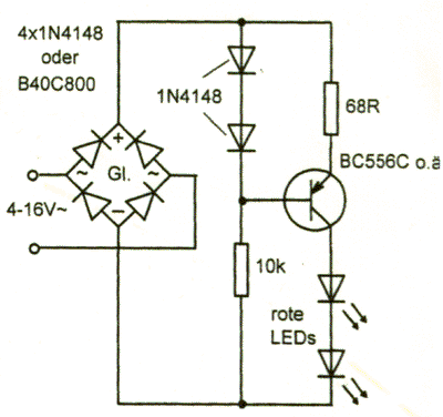
Eksempel C:

Her er så den nok mest rigtige, strømmen bestemmes af R2, efter
samme formel som ovenstående. Spændingsfaldet er denne gang
bestemt af B-E strækningen i T2.
Eksempel D:

Den lette lavet med en LM 317. LM 317 kredsløbet skal have ca 4
volt over sig, for at regulere, så forsyningsspændingen skal
være 4 volt højere end diodespændingerne for at kunne regulere
helt rigtigt.
Kommentarer
tips og tricks,modtages gerne !! |
Designet af Moppe |